顯塵模組
所屬分類:光源模組
產品賣點:
顯(xian)塵(chen)模(mo)組(zu)采(cai)用(yong)綠(lv)光(guang)顯(xian)塵(chen)技(ji)術(shu),利(li)用(yong)一(yi)束(shu)綠(lv)色(se)平(ping)行(xing)光(guang)束(shu),讓(rang)用(yong)戶(hu)在(zai)不(bu)傷(shang)眼(yan)的(de)情(qing)況(kuang)下(xia)發(fa)現(xian)家(jia)中(zhong)死(si)角(jiao)處(chu)更(geng)細(xi)小(xiao)的(de)灰(hui)塵(chen)。這(zhe)束(shu)光(guang)在(zai)垂(chui)直(zhi)方(fang)向(xiang)上(shang)被(bei)壓(ya)縮(suo)至(zhi)小(xiao)角(jiao)度(du),而(er)在(zai)水(shui)平(ping)方(fang)向(xiang)上(shang)則(ze)展(zhan)開(kai)成(cheng)大(da)角(jiao)度(du),從(cong)而(er)實(shi)現(xian)了(le)較(jiao)廣(guang)泛(fan)的(de)照(zhao)射(she)範(fan)圍(wei),同(tong)時(shi)避(bi)免(mian)了(le)光(guang)直(zhi)射(she)眼(yan)睛(jing)的(de)傷(shang)害(hai)。這(zhe)種(zhong)照(zhao)射(she)方(fang)式(shi)能(neng)明(ming)顯(xian)顯(xian)示(shi)出(chu)清(qing)潔(jie)器(qi)前(qian)方(fang)工(gong)作(zuo)表(biao)麵(mian)的(de)灰(hui)塵(chen)和(he)雜(za)質(zhi),提(ti)升(sheng)了(le)對(dui)微(wei)小(xiao)顆(ke)粒(li)(如皮屑、寵物毛發、塵蟎和部分花粉)的識別能力。因此,顯塵模組不僅能提高清潔效率,還能方便用戶觀察清潔效果。
產品特征
綠光顯塵可視化,滿足用戶深度清潔需求
高清晰邊界光型,看得更清、更廣
LED+雙曲麵透鏡,灰塵投影更遠
線性光貼地設計,更加安全高效自主研發專利,可靈活定製超低功耗,體積小方便安裝
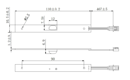
規則參數
| 工作電壓 | DC 12V |
| 工作電流 | 125 mA |
| 綠光波長 | 500-570 nm |
| 照度 | 400 Lux(可調光) |
| 工作溫度 | -10℃~60℃ |



» 應用場景
• 掃地機,照地麵灰塵 • 除蟎儀,照床上被子 • 電熨鬥,照衣服的褶皺
